Features
◇ Single stage vacuum pump which is capable of adjusting vacuum flow.
◇ Suitable for sucking or removal of particles or small debris.
◇ Various materials for different operating conditions.
◇ Available in different bore sizes, max flow can be achieved with in line bore size up to 19 mm
Applications
◇ Transferring materials
◇ Selvedge removal in trimming operation
◇ Transferring corn and wheat
◇ Transferring powder detergent, plastical powder and plastical particles
◇ Debris and powder removal in drilling operation
◇ Powder removal in grinding operation
| How to order | ||
| ACP 250 S ① ② ③ | ||
| ① Series | ② Specification | ③ Material |
| ACP | 250 375 500 750 | Nil -Aluminum alloy S -Stainless steel |
| Selection | ||
| Model/Material | Aluminum alloy | Stainless steel |
| ACP250 | ● | ○ |
| ACP375 | ● | ○ |
| ACP500 | ● | ○ |
| ACP750 | ● | ○ |
◇Note: "●"- standard, in stock. "○"-selective,no stock.
| Technical parameters | ||||||||||
| Vacuum flow (NL/min) at different vacuum levels (-kPa) | ||||||||||
| Model | Nozzle diameter (mm) | Air supply pressure (bar) | 17 | 34 | 50 | 68 | 84 | Aluminum alloy(g) | Stainless steel(g) | Operating temperature(℃) |
| ACP250 | 6.5 | 5.5 | 112 | 169 | 233 | 276 | 342 | 100 | 296 | -20~80 |
| ACP375 | 10.0 | 5.5 | 176 | 327 | 485 | 595 | 825 | 286 | 846 | -20~80 |
| ACP500 | 13.0 | 5.5 | 340 | 625 | 795 | 940 | 1,280 | 401 | 1,189 | -20~80 |
| ACP750 | 19.0 | 5.5 | 650 | 875 | 1,250 | 1,790 | 2,550 | 540 | 1,599 | -20~80 |
| Vacuum flow (NL/min) at different vacuum levels (-kPa) | ||||||
| Model | Air supply pressure (bar) | 17 | 34 | 50 | 68 | 84 |
| ACP250 | 5.5 | 280 | 240 | 200 | 162 | 125 |
| ACP375 | 5.5 | 846 | 735 | 620 | 520 | 395 |
| ACP500 | 5.5 | 1,695 | 1,325 | 1,130 | 990 | 650 |
| ACP750 | 5.5 | 3,390 | 2,460 | 1,970 | 1,440 | 1,130 |
◇Note:Air supply pressure range 4-6bar,max air supply pressure 7bar and max vacuum level -84kPa.

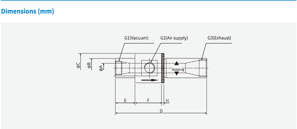
| Model/Dimension | A | B | C | D | E | F | H | G1 | G2 | G3 |
| ACP250 | 6.5 | 19 | 32 | 94 - 105 | 22 | 32 | 5 | G1/4 | G1/8 | G1/4 |
| ACP375 | 10.0 | 25 | 45 | 155 - 165 | 38 | 45 | 5 | G3/8 | G3/8 | G1/2 |
| ACP500 | 13 | 32 | 51 | 155 - 160 | 38 | 51 | 5 | G1/2 | G3/8 | G3/4 |
| ACP750 | 19 | 38 | 58 | 175 - 189 | 38 | 51 | 5 | G3/4 | G1/2 | G1" |